
上海帕特泵业真空泵的中真空系统
2012-05-24
上海帕特泵业真空泵的中真空系统
真空泵的中真空系统一般是由两个以上的真空泵申联组成的。
(1)油增压泵串联油封机械泵组成的真空系统。该系统的工作压力范围为1.33~1.33*10-1Pa.其优点是系统简单.抽气能力大.振动小.工作稳定可靠,维修方便。缺点是预抽时间比罗茨泵系统长。
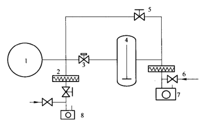
(2)罗茨泵串联油封机械泵的真空系统。该系统的工作压力范围为1. 33~1333Pa.优点是抽气能力大,启动快.预抽时间短。缺点是工作时噪声较大。图1为这种系统的典型示意图。
(3)罗茨泵申联小型罗茨泵(中间泵),再串联机械泵的真空系统。系统的工作压力范围为0.133-1333Pa。该系统不但其备了罗茨泵系统的特点.而且加宽了工作压力范围和压缩比。
(4)罗茨泵串联水环泵的真空系统。该系统适合于排出灰尘较多的应用设备上.

图1离子渗碳及淬火炉的真空系统
1-洛碳室2-除尘器3-气动阀4-罗茨泵5-粗抽阀6-压差放气阀7-前级机城泵8-维持机械泵
上海帕特泵业制造有限公司
2012年05月24日 星期四
下面给大家介绍一下上海帕特泵业制造有限公司生产真空泵相关产品:
1、SK系列水环真空泵 2、2BV系列水环真空泵 3、2X系列旋片真空泵 4、XD系列真空泵
5、SZB悬臂式水环真空泵 6、2XZ系列水环真空泵 7、SZ系列水环真空泵 8、2SK系列水环真空泵
关于 真空泵,离心泵,立式离心泵,管道离心泵,单级双吸离心泵,卧式离心泵,化工离心泵,多级泵,化工泵,磁力泵,螺杆泵,上海离心泵,水泵,泵 的新闻








